首页 研究院概况 科技研发 企业孵化 海外合作 人才培养 联系我们
首页 研究院概况 科技研发 企业孵化 海外合作 人才培养 党群工作

当前位置:首页 > 企业孵化 >
广东联清环境有限公司
发表日期:2018-06-11 

广东联清环境有限公司成立于2017年7月,注册资本金为1亿元人民币,是由力合科创集团、中国联塑集团、深圳前海和清环保投资服务企业(有限合伙)、广华创业投资有限公司、北京荷塘投资管理有限公司共同发起成立的综合性环境服务商。公司依托清华技术转移研究院、深圳清华大学研究院、清华珠三角研究院强大的技术支撑,业务范围涵盖固体废弃物资源化利用、污染土壤修复、危废处理处置、环保产业投资并购等多个领域,为客户提供具有行业领先水平的项目全周期解决方案及服务。


核心技术:

固体废弃物资源化利用:

1、光伏产业废物低温气相水解合成纳米SiO2及其深度利用技术;

2、钢铁废渣元素分离及物质再生的高值化利用技术;

3、粉煤灰协同回收纳米SiO2和超细Al2O3的高值化技术;

4、工业固废制备高效CO2吸附材料及用于工业源CO2减排技术;


污染场地治理及土壤修复关键技术及核心设备:

1、有机物污染土壤真空强化远红外热脱附技术及系统;

2、氯代有机物废物碱催化脱氯技术及设备;

3、污染土壤原位涡流式热脱附技术及系统;

4、有机物污染土壤滚筒式逆向热脱附技术及系统;

5、重金属污染土壤原位固化-土壤改良-植物修复技术体系;


公司LOGO:



公司专利:


一种污泥燃料棒及其制备方法


一种化学稳定化处理城市垃圾焚烧飞灰的方法

一种含氯代有机物工业废物碱催化分解装置及方法

一种有机物污染土壤真空强化远红外热脱附系统

一种餐厨垃圾超声波强化水解处理方法

一种利用聚乙二醇和碱性物质处理氯代有机物的工艺


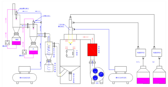
相关图片


红外热脱附整套设备流程图



原位涡流式热脱附系统立体效果图



光伏废物SiCl4气相水解合成纳米SiO2流程图



以元素分离和物质再生为目的的钢铁渣高值利用技术路线


钢渣源钙基CO2吸附材料吸附性能明显优于CaO材料


上一条: 迈特李新材料(广州)有限公司
下一条:广州德中科技有限公司

清华珠三角研究院   地址:广州市黄埔区香雪八路98号香雪国际公寓F栋   电话:020-22213655   传真:020-89852366

邮箱:itprd@tsinghua-gd.org   粤ICP备16109345号  粤公网安备44011202000191号